Установка серии ЭТМА
- Описание установки ЭТМА УРТМ (pdf, 172 КБ)
Назначение
Установка предназначена для регенерации, дегазации, термовакуумной сушки и фильтрации трансформаторных масел, отработавших свой ресурс. Установка также обеспечивает приготовление 20% раствора ионола, с дальнейшим введением его в трансформаторное масло.
Применение
Установка используются при ремонте силовых трансформаторов и реакторов напряжением до 1150 кВ включительно, в которых в результате длительной эксплуатации произошло ухудшение следующих характеристик трансформаторного масла: кислотное число КОН/г, Tg δ, цветность, влагосодержание, содержание механических примесей и пр.
Установка также может быть использована на маслохозяйствах, где производиться хранение трансформаторных масел, отработавших свой ресурс.
Условия эксплуатации, сертификация
Установка изготавливаются по ТУ У 29.2-04624312-035:2011. Имеет сертификат соответствия в системе сертификации УкрСЕПРО Украины. Сертифицирована на соответствие требованиям «Технического регламента о безопасности машин и оборудования», утверждённого Постановлением Правительства РФ № 753 от 15.09.2009 г. Изготавливается по системе обеспечения качества в соответствии с ISO 9002.
- Вид климатического исполнения – У1 по ГОСТ 15150-69.
- Средний срок службы – не менее 10 лет, гарантийный срок – 1 год.
- Обслуживающий персонал – 2 человека.
- Экобезопасность – по ГОСТ 12.1.005-88.
- Пожаробезопасность – по ГОСТ 12.1.004-91.
- Электробезопасность – по ГОСТ 12.2.007.0-75.
Комплект поставки
Комплект поставки установки приведен в табл. 1.
Таблица 1
| Комплект поставки | Количество |
| Установка УРТМ | 1 |
| Паспорт | 1 |
| Руководство по эксплуатации | 1 |
| Комплект ЗИП | 1 комплект |
| Документация на комплектующие изделия | 1 комплект |
Характеристики установки
Характеристики установки приведены в табл. 2.
Таблица 2
| Наименование параметра | Величина | |
| 1 | 1) Производительность, м3/час:
|
3 1,8 1÷2 2,3) |
| 2 | Параметры масла после обработки:
|
0,01 0,5 0,001 (10) 10 0,3 9 70 |
| 3 | Количество обрабатываемого масла до реактивации сорбента, кг | 750÷900 3) |
| 4 | Количество адсорберов, шт. | 3х2 3) |
| 5 | Количество сорбента в адсорбере, кг | 250 |
| 6 | Температура масла, °С:
|
20 4) 40÷50 65÷75 |
| 7 | Номинальная тонкость фильтрации, мкм | 50/20/5 три ступени |
| 8 | Коэффициент фильтрации (β-коэффициент), не менее | 400 |
| 9 | Давление на выходе, МПа, не менее | 0,2 |
| 10 | Номинальная мощность маслонагревателя, кВт | 50 |
| 11 | Напряжение питания трехфазной сети частотой 50 Гц, В | 380±10% |
| 12 | Максимальная потребляемая мощность, кВт | 85 |
| 13 | Установленная мощность, кВт | 105 |
| 14 | Габаритные размеры, м, не более:
|
5,0 2,23 2,12 |
| 15 | Масса, кг, не более | 3 400 |
Примечания:
1) в любом из режимов обеспечивается фильтрация масла;
2) производительность установки зависит от качества масла на входе установки;
3) по требованию Заказчика может быть исполнение установки с количеством адсорберов больше 3-х. При этом производительность установки будет больше; больше также будет количество обрабатываемого масла до реактивации сорбента;
4) перекачка осуществляется при температуре окружающего воздуха.
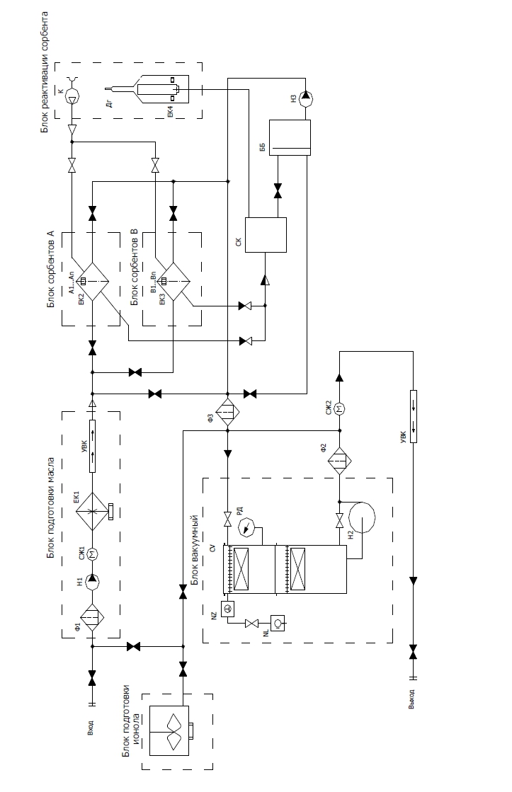
Состав
Установка состоит (см. Схему функциональную) из блока подготовки масла, блока сорбентов, блока реактивации сорбентов и блока вакуумного. В установке предусмотрены маслонасосы, воздуходувка, вентили, счётчики жидкости и другие элементы, обеспечивающие контроль и работу установки в разных режимах. Управление установкой осуществляется со шкафа управления.
Блок подготовки масла предназначен для нагрева и предварительной фильтрации масла. Блок сорбентов и блок вакуумный предназначены для регенерации и сушки с дегазацией масла соответственно. Блок реактивации сорбентов обеспечивает восстановление сорбента после насыщения их продуктами старения из трансформаторного масла.
Краткое описание работы
Установка может работать в нескольких режимах:
- перекачки;
- дегазации и сушки;
- регенерации;
- приготовление 20% раствора ионола.
Масло поступает в блок подготовки масла, где в зависимости от дальнейшего режима работы оно нагревается до температуры 40÷50 или 65÷75 °С.
В режиме дегазации, сушки и фильтрации масло, нагретое до температуры 40÷50 °С, поступает в блок вакуумный, где оно освобождается от растворённых газов и влаги и подаётся на выход установки.
В режиме регенерации масло, нагретое до температуры 65÷75 °С, поступает, например, в блок сорбентов А. В блоке В, в это время, может проходить восстановление сорбентов с использованием блока реактивации. Очищенное от продуктов старения трансформаторное масло из блока сорбентов А поступает на вход блока вакуумного, где производиться его сушка и дегазация.
Реактивация сорбента производиться без извлечения его из адсорберов путём поджига и дальнейшей подачи воздуха для поддержания его горения, обеспечивая температуру сорбента при реактивации, рекомендуемую производителем сорбента.
Блок подготовки ионола обеспечивает приготовление 20% раствора ионола с последующей подачей его в объём с трансформаторным маслом.
Установки выполнены в виде металлического утеплённого контейнера, внутри которого смонтировано оборудование. Предусмотрено место оператора.
Особенности конструкции
Маслонагреватель секционирован (25+25) кВт и позволяет включать его на необходимый режим мощности, при этом вторая секция с плавным тиристорным регулированием. Система защит и автоматики предусматривает автоматическое отключение маслонагревателя при отсутствии потока масла, при перегреве масла, при этом одновременно подаётся звуковой сигнал. В установке предусмотрено реле чередовании фаз.
В установке обеспечена трёхступенчатая система фильтрации. Дополнительный комплект фильтроэлементов поставляется с каждой установкой в ЗИП.
Оригинальная конструкция вакуумной камеры с применением новой высокоэффективной насадки обеспечивает максимальную производительность в режиме обработки масла.
Автоматизация
Установки по способу управления могут поставляться в следующих исполнениях:
- ручное управление;
- полуавтоматическое управление;
- управление в полностью автоматическом режиме.
При полностью автоматическом режиме управлении осуществляется с сенсорной панели управления (цветной терминал). В этом случае управление маслонасосами, вакуумными насосами, маслонагревателем и другими объектами осуществляется пускателями через контроллер. В зависимости от выбранного режима работы управление вентилями производиться или вручную или с использованием приводов.
| Технический директор АО «ПКТБ «ЭЛЕКТРОТЕХМОНТАЖ» |
![]() |
Я.О. Кит |
Кит Я.О.
тел. +38 057 7423756, +38 067 5732940
y.kit@etma.com.ua, ykit@mail.ru
Схема функциональная установки серии ЭТМА УРТМ
Файлы для загрузки
- Описание установки ЭТМА УРТМ (pdf, 172 КБ)


